Сайт использует куки для бесперебойной работы, улучшенного просмотра и маркетинга. Подробнее об использовании файлов cookie - в политике конфиденциальности

Компьютерный модуль Raspberry PI Pico WH AKOMRPIPIWH.jpg

Компьютерный модуль Raspberry PI Pico WH

Код AKOMRPIPIWH
  • Вес 7.00g

Цена Eshop: 7,60
12,90 €

Количество: 3+
Цена: 7,37
12,00
Минимум заказа: 1 Кратность: 1

Количество

Разпродажа, доступное количество: 1шт..
Расположение товара:
Центральный склад в Каунасе Нет товара (0)
Магазин в Вильнюсе Нет товара (0)
Магазин в Каунасе Товар есть (1)

Описание

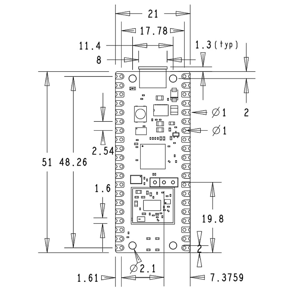
Чертеж Технический паспорт

Pico WH сохраняет мощность и гибкость предыдущей модели, добавляя возможность беспроводного подключения и предварительно заполненные заголовки для более широкой интеграции в IoT-приложения. Поддержка WiFi обеспечивается встроенным чипом Infineon CYW43439, который помещен в металлический корпус для снижения затрат на соответствие стандартам. Pico имеет гибкие цифровые интерфейсы и может быть легко запрограммирован по USB с использованием C/C++ или MicroPython, благодаря обширному SDK с примерами программного обеспечения и полной документацией.

Чипсет RP2040, разработанный для Raspberry Pi
Двухъядерный процессор ARM Cortex M0+ с частотой до 133 МГц и изменяемой частотой ядра
Встроенный чип Infineon CYW43439 с поддержкой WPA3 и SoftAP (до 4 клиентов)
Поддерживает беспроводные LAN-соединения 2,4 ГГц 802.11b/g/n беспроводные LAN соединения
264kB SRAM и 2MB встроенной флэш-памяти
26 многофункциональных GPIO выводов (23x только цифровых, 3x с поддержкой АЦП)
2x SPI, 2x I2C, 2x UART, 3x 12-битных АЦП и 16x управляемых ШИМ каналов
Точные часы и таймер на чипе
Датчик температуры
Ускоренные библиотеки плавающей точки
Micro USB порт для питания и данных
3-контактный отладочный заголовок JST-SH
Предварительно припаянные заголовки