Svetainėje naudojami slapukai sklandžiam jos veikimui, naršymo patirties gerinimui, rinkodarai. Daugiau apie naudojamus slapukus ir kaip jų atsisakyti - privatumo politikoje

JUNGTIS  8pin kištukas 2mm, 1A 100V, lituojama kampu CJK6508K.jpg

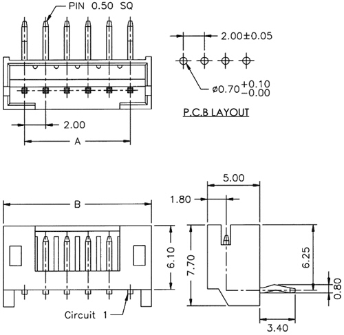
JUNGTIS 8pin kištukas 2mm, 1A 100V, lituojama kampu

Kodas CJK6508K
  • Svoris bruto 0.50g

Eshop kaina: 0,2500

Kiekis: 10+ 50+
Kaina: 0,2125 0,0680
Min. užsakymas: 1 Kartotinumas: 1

Kiekis
Prekės buvimo vietos:
Biuras/Centrinis sandėlis Kaune, Gaižiūnų 5A Prekę turime (41)
Parduotuvė Vilniuje, Ukmergės g. 222 Prekę turime (18)
Parduotuvė Kaune, Savanorių pr. 241 Prekę turime (9)

Aprašymas

Brėžinys

Jungtis: lizdas
Jungties tipas: laidinė plokštė
Jungties rūšis: išorinė
Elektrinis montavimas:
Didžiausia srovė: 1A
Kontaktų padengimas: alavuotas
Degumo klasė: UL94V-0
Darbinė temperatūra: -25...85°C
Maksimali darbinė įtampa: 100V
Maksimali kontaktų varža: 20mOM
Erdvinė orientacija: 90° kampu
Korpuso medžiaga: poliamidas
Plotis: 18mm

Specifikacija