Svetainėje naudojami slapukai sklandžiam jos veikimui, naršymo patirties gerinimui, rinkodarai. Daugiau apie naudojamus slapukus ir kaip jų atsisakyti - privatumo politikoje

LED SMD 0805 raudonas, <120mcd, 120° PLDKS0805.jpg

LED SMD 0805 raudonas, <120mcd, 120°

Kodas PLDKS05RS
  • Svoris bruto 0.03g

Eshop kaina: 0,1500

Kiekis: 10+ 25+ 50+
Kaina: 0,1275 0,0834 0,0741
Min. užsakymas: 1 Kartotinumas: 1

Kiekis
Prekės buvimo vietos:
Biuras/Centrinis sandėlis Kaune, Gaižiūnų 5A Prekę turime (80)
Parduotuvė Vilniuje, Ukmergės g. 222 Prekę turime (21)
Parduotuvė Kaune, Savanorių pr. 241 Prekę turime (10)

Aprašymas

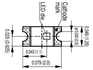
Brėžinys

Specifikacija