Svetainėje naudojami slapukai sklandžiam jos veikimui, naršymo patirties gerinimui, rinkodarai. Daugiau apie naudojamus slapukus ir kaip jų atsisakyti - privatumo politikoje

TERMO RELĖ - ŠILUMINĖ APSAUGA 10A 120°C sujungia / 100°C atjungia RLTFxx.jpg

TERMO RELĖ - ŠILUMINĖ APSAUGA 10A 120°C sujungia / 100°C atjungia

Kodas RLTF12
  • Svoris bruto 5.00g

Eshop kaina: 2,95

Min. užsakymas: 1 Kartotinumas: 1

Kiekis

Išparduodama, galimas kiekis: 3vnt.
Prekės buvimo vietos:
Biuras/Centrinis sandėlis Kaune, Gaižiūnų 5A Prekės neturime (0)
Parduotuvė Vilniuje, Ukmergės g. 222 Prekę turime (2)
Parduotuvė Kaune, Savanorių pr. 241 Prekę turime (1)

Aprašymas

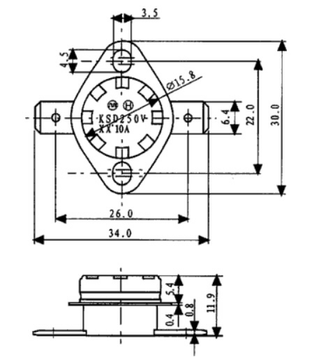
Brėžinys

Komutuojama galia - 10A 250V
Kontakto varža - 50 mOm
Izoliacija - 2000 VAC
Elektriniai ciklai- 100,000
"sujungia" - sujungimo temperatūra;"atjungia" - atjungimo temperatūra

Specifikacija