Сайт использует куки для бесперебойной работы, улучшенного просмотра и маркетинга. Подробнее об использовании файлов cookie - в политике конфиденциальности

Тепловое реле - Тепловая защита 10A 70°C отключение / 55°C подключение RLTLxxL.jpg

Тепловое реле - Тепловая защита 10A 70°C отключение / 55°C подключение

Код RLTL07L
  • Вес 4.38g

Цена Eshop: 1,95

Количество: 3+ 5+
Цена: 1,68 0,65
Минимум заказа: 1 Кратность: 1

Количество
Расположение товара:
Центральный склад в Каунасе Нет товара (0)
Магазин в Вильнюсе Нет товара (0)
Магазин в Каунасе Нет товара (0)

Описание

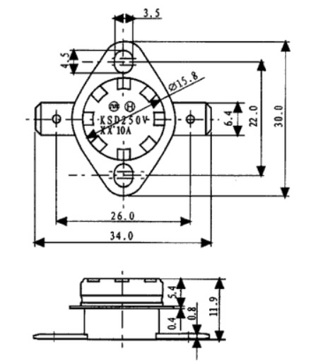
Чертеж

Биметаллический термостат предназначен для переключения электрической цепи при заданной температуре. Контакты термостата размыкаются при достижении рабочей температуры. Когда температура снижается, контакты снова соединяются.
Предел напряжения: 250 В переменного тока
Допустимый ток: до 10 A
Клеммы: 6,3 мм
Отключение контактов: при 70 ± 5°C
Повторное подключение контактов: при 55 ± 5 °C
Контакт: NC (нормально подключенный)

Спецификация