Vietnē tiek izmantotas sīkdatnes, lai nodrošinātu tās pareizu darbību, uzlabotu pārlūkošanas pieredzi un mārketingu. Vairāk par izmantotajām sīkdatnēm un to atteikšanu – privātuma politikā

MIKROFONA MODUĻIS ar pastiprinātāju MAX9814

 ABTR07.jpg

MIKROFONA MODUĻIS ar pastiprinātāju MAX9814

Kods ABTR07
  • Svars bruto 4.00g

E-veikala cena: 9,50

Daudzums: 4+ 8+
Cena: 8,27 6,89
Min. pasūtījums: 1 Daudzums iepakojumā: 1

Daudzums
Preces atrašanās vietas:
Birojs/Centrālais noliktavas Kaunā, Gaižiūnų ielā 5A Prece nav noliktavā (0)
Veikals Viļņā, Ukmergės ielā 222 Prece ir noliktavā (2)
Veikals Kaunā, Savanorių prospekts 241 Prece nav noliktavā (0)

Apraksts

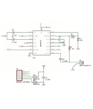
Shēma

MAX9814 mikrofona sensors: tas ir augstas kvalitātes mikrofons ar automātisko pastiprinājuma kontroli (AGC) un zemu trokšņu līmeni. Piegādes spriegums: 2,7–5
,5 V Automātiskā pastiprinājuma kontrole (AGC): 3 veidu pastiprinājuma iestatījumi (40 dB, 50 dB, 60 dB)
Atbalsta programmēšanu: darbības laiks un atbrīvošanas laiks
. Plaši izmanto Bluetooth austiņās, digitālajās kamerās, PDA, divvirzienu sakaru ierīcēs, izklaides sistēmās utt. Spēj efektīvi pastiprināt mikrofona uztvertos balss signālus, nodrošinot skaidru un stabilu balss sakaru un audio kvalitāti.