Vietnē tiek izmantotas sīkdatnes, lai nodrošinātu tās pareizu darbību, uzlabotu pārlūkošanas pieredzi un mārketingu. Vairāk par izmantotajām sīkdatnēm un to atteikšanu – privātuma politikā

TRIMMER 100Ω horizontāls L=5mm

 RDMXXXH5.jpg

TRIMMER 100Ω horizontāls L=5mm

Kods RDM210H5
  • Svars bruto 0.40g

E-veikala cena: 0,1500

Daudzums: 10+ 25+
Cena: 0,1320 0,1034
Min. pasūtījums: 1 Daudzums iepakojumā: 1

Daudzums
Preces atrašanās vietas:
Birojs/Centrālais noliktavas Kaunā, Gaižiūnų ielā 5A Prece nav noliktavā (0)
Veikals Viļņā, Ukmergės ielā 222 Prece ir noliktavā (6)
Veikals Kaunā, Savanorių prospekts 241 Prece ir noliktavā (5)

Apraksts

Shēma Datu lapa

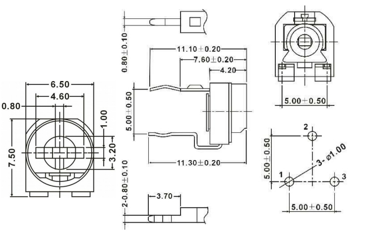
Potenciometra standarts: 6 mm
Mehāniskais rotācijas leņķis: 200°
Griezes moments: 0,4...3,5 Ncm
Darba temperatūra: -25...
40°CIzvades solis: 5x5 mm
Korpusa izmēri: 6,5x7x4,2 mm

Specifikācija