Vietnē tiek izmantotas sīkdatnes, lai nodrošinātu tās pareizu darbību, uzlabotu pārlūkošanas pieredzi un mārketingu. Vairāk par izmantotajām sīkdatnēm un to atteikšanu – privātuma politikā

BAROJUMU AVOTS 4 W 24 VDC 170 mA, IP65

 AMM0424R.jpg

BAROJUMU AVOTS 4 W 24 VDC 170 mA, IP65

Kods AMM0424R
  • Svars bruto 85.00g

E-veikala cena: 8,40 €

Min. pasūtījums: 1 Daudzums iepakojumā: 1

Daudzums
Preces atrašanās vietas:
Birojs/Centrālais noliktavas Kaunā, Gaižiūnų ielā 5A Prece ir noliktavā (1)
Veikals Viļņā, Ukmergės ielā 222 Prece nav noliktavā (0)
Veikals Kaunā, Savanorių prospekts 241 Prece nav noliktavā (0)

Apraksts

Shēma Datu lapa

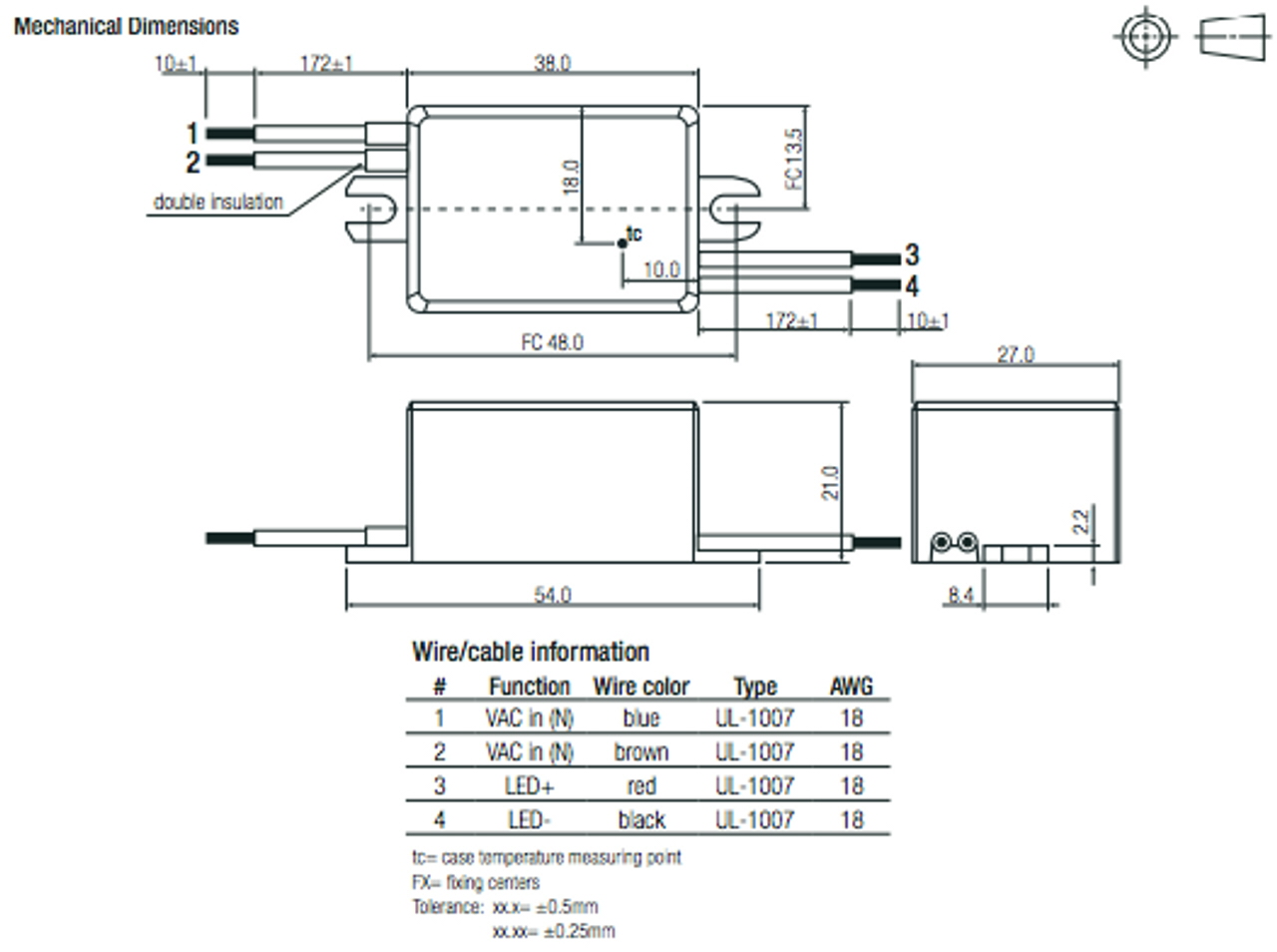
šŸ’” RECOM RACV04-24 LED baroÅ”anas bloksšŸ”§ Tehniskie parametri* Ieejas spriegums: 90–264 V AC * Izejas spriegums: 24 V DC * Maksimālā izejas strāva: 170 mA * Jauda: 4 W * Izolācija: 3,75 kV * AizsardzÄ«bas: OLP, SCP, OCP, OTP * IP klasifikācija: IP65 * Darba temperatÅ«ra: no -20 °C lÄ«dz +50 °C * Izmēri: 38 x 27 x 21 mm * Efektivitāte: 75 * Sertifikāti: CE, CB, ENEC, CSA, UL8750šŸ“¦ AprakstsRECOM RACV04-24 ir kompakts un uzticams LED baroÅ”anas avots, kas paredzēts dažādiem apgaismojuma risinājumiem. Augstais aizsardzÄ«bas lÄ«menis un plaÅ”ais darba temperatÅ«ras diapazons padara to piemērotu gan iekÅ”telpu, gan āra lietoÅ”anai.

āœ… Lietojumi* Mēbeļu apgaismojums * Plauktu apgaismojums * Norādes * ArhitektÅ«ras apgaismojums

Specifikācija