Vietnē tiek izmantotas sīkdatnes, lai nodrošinātu tās pareizu darbību, uzlabotu pārlūkošanas pieredzi un mārketingu. Vairāk par izmantotajām sīkdatnēm un to atteikšanu – privātuma politikā

SASLĒGUMI 2pin vīriešu 3,96 mm HQ

 CJK702Q.jpg

SASLĒGUMI 2pin vīriešu 3,96 mm HQ

Kods CJK702Q
  • Svars bruto 0.60g

E-veikala cena: 0,1200

Daudzums: 5+ 10+
Cena: 0,1032 0,0763
Min. pasūtījums: 1 Daudzums iepakojumā: 1

Daudzums
Preces atrašanās vietas:
Birojs/Centrālais noliktavas Kaunā, Gaižiūnų ielā 5A Prece ir noliktavā (7)
Veikals Viļņā, Ukmergės ielā 222 Prece ir noliktavā (10)
Veikals Kaunā, Savanorių prospekts 241 Prece ir noliktavā (11)

Apraksts

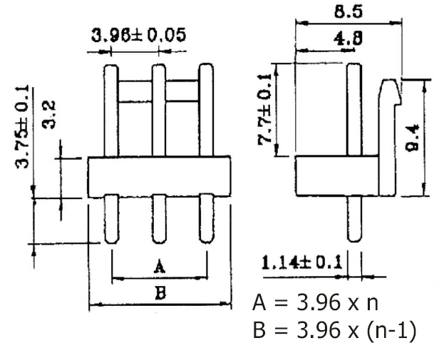
Shēma

Kontakta diametrs: 1,14 x 1,14 mm
Materiāls: Nailons 66 (UL94V-0)
Darba spriegums: 250 VAC/DC
Strāvas ierobežojums: 7 A AC/DC
Pārrāvuma spriegums: 1500 VAC
Darba temperatūra: no -25 °C līdz +85 °C
Izolācijas pretestība: > 1 GOm
Kontakta pretestība: <10 mOm

Specifikācija