Vietnē tiek izmantotas sīkdatnes, lai nodrošinātu tās pareizu darbību, uzlabotu pārlūkošanas pieredzi un mārketingu. Vairāk par izmantotajām sīkdatnēm un to atteikšanu – privātuma politikā

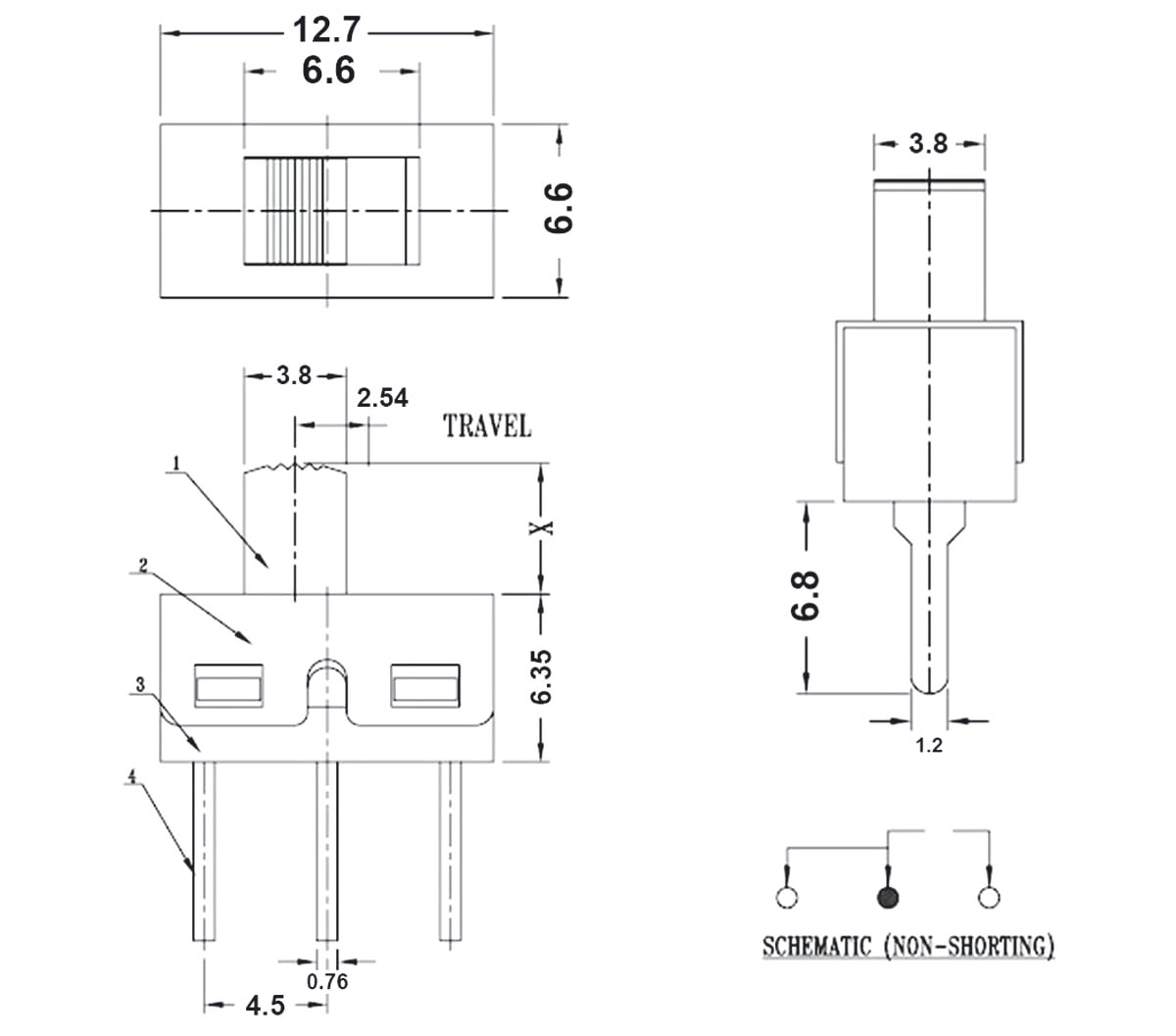
SLIDE SWITCH 2A 125VAC, 3-pin 2 pozīcijas, ON-ON

 CPR306.jpg

SLIDE SWITCH 2A 125VAC, 3-pin 2 pozīcijas, ON-ON

Kods CPR306
  • Svars bruto 1.50g

E-veikala cena: 0,50

Daudzums: 10+ 25+
Cena: 0,43 0,2538
0,29
Min. pasūtījums: 1 Daudzums iepakojumā: 1

Daudzums
Preces atrašanās vietas:
Birojs/Centrālais noliktavas Kaunā, Gaižiūnų ielā 5A Prece ir noliktavā (50)
Veikals Viļņā, Ukmergės ielā 222 Prece ir noliktavā (26)
Veikals Kaunā, Savanorių prospekts 241 Prece ir noliktavā (9)

Apraksts

Shēma

Pielietojums: plaši izmanto mazjaudas elektronikas projektos, elektroniskajās rotaļlietās, audio ierīcēs, elektroniskajos mūzikas instrumentos, gaismas vadībā utt.
Materiāls: izgatavots no augstas kvalitātes plastmasas un metāla. Apstrāde ir izcila, un mehāniskā kalpošanas ilgums ir vismaz 10 000 komutācijas cikli.

Kontaktu pretestība: maks. 30 mΩ
Izolācijas pretestība: min. 100 mΩ pie 500 V DC

Specifikācija