Vietnē tiek izmantotas sīkdatnes, lai nodrošinātu tās pareizu darbību, uzlabotu pārlūkošanas pieredzi un mārketingu. Vairāk par izmantotajām sīkdatnēm un to atteikšanu – privātuma politikā

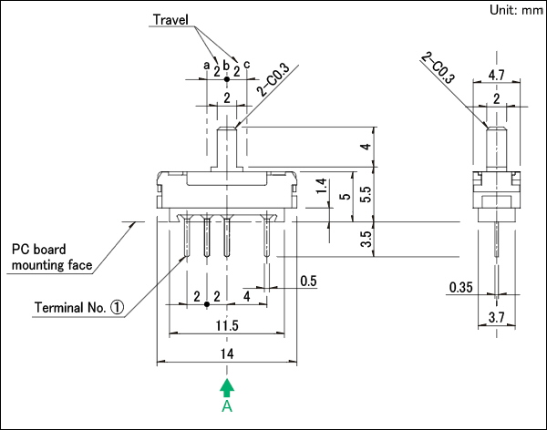
SLIDE SWITCH DC 0,1 A/12 VDC, ON-ON-ON

 CPR331.jpg

SLIDE SWITCH DC 0,1 A/12 VDC, ON-ON-ON

Kods CPR331
  • Ražotājs ALPS
  • Ražotāja kods SSSS919800
  • Svars bruto 1.00g

E-veikala cena: 0,90

Min. pasūtījums: 1 Daudzums iepakojumā: 1

Daudzums
Preces atrašanās vietas:
Birojs/Centrālais noliktavas Kaunā, Gaižiūnų ielā 5A Prece ir noliktavā (3)
Veikals Viļņā, Ukmergės ielā 222 Prece nav noliktavā (0)
Veikals Kaunā, Savanorių prospekts 241 Prece nav noliktavā (0)

Apraksts

Shēma Datu lapa

Specifikācija