Vietnē tiek izmantotas sīkdatnes, lai nodrošinātu tās pareizu darbību, uzlabotu pārlūkošanas pieredzi un mārketingu. Vairāk par izmantotajām sīkdatnēm un to atteikšanu – privātuma politikā

LED SMD0805 800µcd 120°, 568nm 2mA, zaļš, KINGBRIGHT

 PLDKS0805.jpg

LED SMD0805 800µcd 120°, 568nm 2mA, zaļš, KINGBRIGHT

Kods PLDKS05ZS1
  • Ražotājs KINGBRIGHT ELECTRONIC
  • Ražotāja kods KP-2012LSGC
  • Svars bruto 0.00g

E-veikala cena: 0,1728

Min. pasūtījums: 1 Daudzums iepakojumā: 1

Daudzums
Preces atrašanās vietas:
Birojs/Centrālais noliktavas Kaunā, Gaižiūnų ielā 5A Prece nav noliktavā (0)
Veikals Viļņā, Ukmergės ielā 222 Prece nav noliktavā (0)
Veikals Kaunā, Savanorių prospekts 241 Prece ir noliktavā (12)

Apraksts

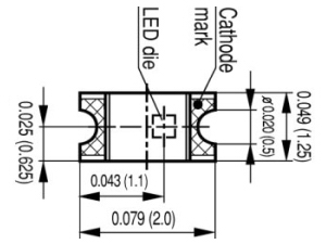
Shēma

Specifikācija