Vietnē tiek izmantotas sīkdatnes, lai nodrošinātu tās pareizu darbību, uzlabotu pārlūkošanas pieredzi un mārketingu. Vairāk par izmantotajām sīkdatnēm un to atteikšanu – privātuma politikā

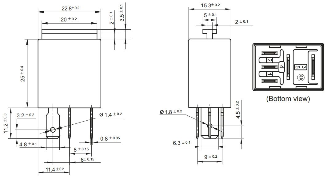
RELĒ 12V 20A, AgSnO2, 23x15,5x25,5mm

 RL1230H.jpg

RELĒ 12V 20A, AgSnO2, 23x15,5x25,5mm

Kods RL1230H
  • Ražotājs HONGFA RELAY
  • Ražotāja kods HFV6-K/012ZL-TR
  • Svars bruto 30.00g

E-veikala cena: 2,50

Daudzums: 5+ 10+
Cena: 2,23 2,07
Min. pasūtījums: 1 Daudzums iepakojumā: 1

Daudzums
Preces atrašanās vietas:
Birojs/Centrālais noliktavas Kaunā, Gaižiūnų ielā 5A Prece nav noliktavā (0)
Veikals Viļņā, Ukmergės ielā 222 Prece ir noliktavā (2)
Veikals Kaunā, Savanorių prospekts 241 Prece ir noliktavā (4)

Apraksts

Shēma Datu lapa

Kontaktu konfigurācija SPDT
Kontaktu strāva maks. 20A
Releja variants automobiļu
Coil spriegums min. 7,2V DC
Coil spriegums maks. 15V DC
Spoles pretestība
124Ω Kontaktu materiāls AgSnO2
Darba temperatūra -40...125°C
Korpusa izmēri 23x15,5x25,4mm
Montāža ligzda
Spoles enerģijas patēriņš 1,4W
Pārslēdzamais spriegums maks. 27V DC

Specifikācija