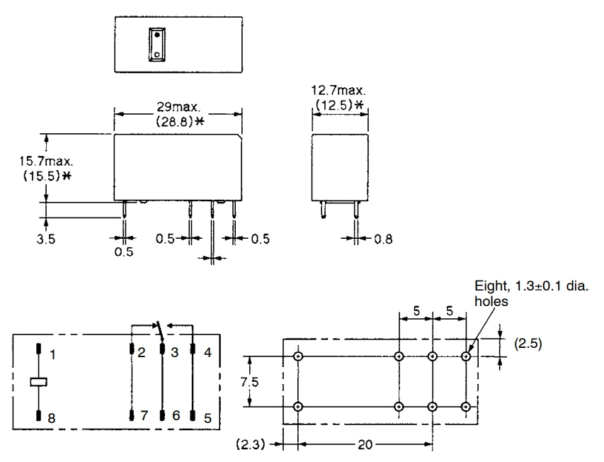
RELĒ 24V 16A/250VAC G2RL-1E OMRON, ar vienu kontaktu
Kods RLOG2L124- Ražotājs OMRON
- Ražotāja kods G2RL-1-E 24VDC
- Svars bruto 10.00g
E-veikala cena: 2,60 €
| Daudzums: | 5+ | 10+ |
| Cena: | 2,37 | 2,05 |
Min. pasūtījums: 1 Daudzums iepakojumā: 1
Daudzums
| Preces atrašanās vietas: | ||
|---|---|---|
| Birojs/Centrālais noliktavas Kaunā, Gaižiūnų ielā 5A | Prece ir noliktavā (20) | |
| Veikals Viļņā, Ukmergės ielā 222 | Prece ir noliktavā (4) | |
| Veikals Kaunā, Savanorių prospekts 241 | Prece ir noliktavā (7) | |
Apraksts
Kontaktu konfigurācija:
SPDTSwitched spriegums: maks. 300V DC, maks. 440V
ACMontāža:
PCBCoil pretestība: 1
,44kΩCoil strāva: 16,
7mAOperating laiks:
15msRelease laiks:
5msOperating temperatūra: -40...85°C
Kontaktu pretestība: 100mΩ
Termināļu attālums: 5mm
Korpusa izmēri: 29x12,7x15,7mm